Technische Details
- Kategorie
- Restposten
- Ausführung
- mit Schließautomatik
- Einsatzbereich
- für Schränke mit Innen- oder Tablarauszügen (z. B. für Vorrats- / Apothekerschränke)
- Einstellmöglichkeit
- 3-dimensional (mit entsprechender Montageplatte)
- Hinweis
- Die Montageplatte ist nicht im Lieferumfang enthalten (bitte separat bestellen).
- Montage
- Tür am Korpus werkzeuglos (Clip-Technik)
- Oberfläche
- vernickelt
- Topfbefestigung
- werkzeuglos (INSERTA) oder zum Schrauben
- Werkstoff
- Gelenkarm aus Stahl
Vernickeltes Ganzmetallscharnier mit einem Öffnungswinkel von 155°.
Das Topfscharnier wurde für Schränke mit Innenauszügen oder Tablarauszügen entwickelt.
Es werden keine Distanzleisten bei den Schubladen benötigt, weil das Scharnier nicht nach innen einspringt und somit die Auszüge problemlos am Band vorbei können (der Innenauszug darf hierbei nicht in der Höhe des Scharniers laufen).
Es lassen sich mit diesen Topfbändern und den auch bei uns erhältlichen Innenauszügen, sehr gut bedienbare Vorratsschränke bzw. Apothekerschränke bauen.
- Komfortabler Tiefenverstellung über Gewindeschnecke
- Erhältlich mit oder ohne Schließautomatik (Feder)
- Werkzeuglose Montage und Demontage der Türe am Korpus
- 3-dimensionale Verstellung (mit entsprechender Montageplatte)
- Bei INSERTA zusätzlich werkzeuglose Montage des Topfes
- Früherer Schließbeginn; dadurch vergleichbare Schließbewegung mit CLIP top BLUMOTION
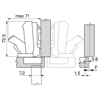
Das Einbohrmaß (der Topfabstand) beträgt 3-8 mm.
Mit dem gekröpften Scharnier können Anschläge mit einer 4-seitigen (umlaufenden) Gehrung bis Türstärke 19 mm ausgeführt werden.
Bestellhinweis:
Die Montageplatte befindet sich nicht im Lieferumfang und muss separat bestellt werden.
Zubehör
Folgende Artikel sind für eine Montage evtl. nötig oder sind passend zu diesem Artikel.
0,07
€
*
1 Stück | 0,07 €/Stück
1,45
€
*
1 Stück | 1,45 €/Stück
0,03
€
*
1 Stück | 0,03 €/Stück
Zuletzt angesehene Artikel
Kunden, die diesen Artikel gekauft haben, kauften auch
Kunden die sich diesen Artikel gekauft haben, kauften auch folgende Artikel.
18,00
€
*
1 Paar | 18,00 €/Paar
1,05
€
*
1 Stück | 1,05 €/Stück
17,55
€
*
1 Set | 17,55 €/Set