- Kategorie
- Kugelführung Teilauszug
- Besonderheit
- spezielle Profilform gleicht Toleranzen im Einbau wie Winkel- / Breiten- und Höhenfehler aus
- Länge
- Aluminium-Grundprofil 1800 mm - ablängbar
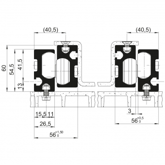
- Maße
- Profil B / H 54.5 / 26.5 mm - Einbaubreite Profil 56 mm
- Material
- Schienen aus Aluminium - Rollenhalter mit Kunststoffrolle
- Montage
- einfache und sichere Befestigung
- Oberfläche
- Rollenhalter mit Kugellager kunststoffummantelt
- Tragkraft
- dynamisch bis 200 kg
- verwendbar für
- Schwerlasten - viele Einbaumöglichkeiten (siehe Montage-PDF unter Download)
Das modulare Aluminium-Auszugsystem FR 9000 von FULTERER bietet viele Einbaumöglichkeiten besonders in der Boden- und Seitenmontage (z. B. Tischplattenauszug).
Bei dem speziellen Aluminiumprofil in Kombination mit Rollenhaltern und Anschlägen liegt der Schwerpunkt besonders in der Leichtbauweise, egal, ob im Fahrzeugbau oder in der Montageindustrie.
Grundprofil FULTERER FR 9000, 200 kg (Artiklenr. 86220112):
1 Stück, Länge 1800 mm, Aluminium
zum selber Zuschneiden, seitliche Montage
Einbaubreite 56 mm
Profil B / H 54,5 / 26,5 mm
Bestückungs-Set FULTERER FR 9000 (Artikelnr. 86220113) – Anwendung Teilauszug:
2 Stück Rollenhalter mit Kunststoffrolle,
2 Stück Rollenhalter mit Kugellager kunststoffummantelt,
4 Stück Anschläge,
16 Stück Innensechskantschrauben M6 x 20 mm DIN 7984,
24 Stück Vierkantmuttern M6
Vorteile:
- 200 kg Tragkraft beim Einfachauszug mit ca. 70 % Auszugsweg im Verhältnis zur Auszugslänge.
- Die spezielle Profilform gleicht Toleranzen im Einbau wie Winkel-, Breiten- und Höhenfehler aus.
- Die Aussparung im Profil, für M6 Zylinderschrauben DIN 7984 mit Zentrierkerbe, erleichtert das richtige Setzen der Bohrungen.
- Einfache und sichere Befestigung.
Tabelle – Länge L / Auszugsweg AW:
Weitere Infos mit (Fulterer Montageanleitung mit Beispielen) unter: Download/Filme