- Kategorie
- Bohrlehre RED JIG
- Bestellhinweis
- falls noch keine Basis-Komponente Red Jig vorhanden
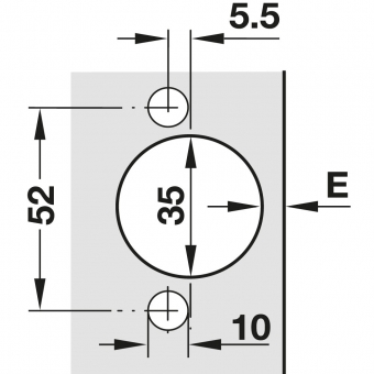
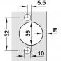
- Durchmesser
- Bohr-Ø 35 mm - RS
- Einsatzbereich
- für exakte Bohrungen für Topfbänder Ø 35 mm
- Lieferumfang
- 1 Bohreinsatz für Topfbänder Ø 35 mm - 1 Bohrglocke 48 (mit Tiefenanschlag / Anschlagring / mit Spiralfeder) - 1 Kunstbohrer HM Ø 35 mm RS
- Maße
- Bohrmaß 52/5
- verwendbar für
- Bohrlehre RED JIG
Ergänzung Red Jig für Topfbänder Ø 35 mm
Lieferumfang: 
1 Bohreinsatz für Topfbänder Ø 35 mm
1 Bohrglocke 48 (mit  Tiefenanschlag / Anschlagring / mit Spiralfeder) 
1 Kunstbohrer HM Ø 35  mm, RS
Bohrmaße: 
- 45/9,5
- 48/6 
- 52/5,5
Bestellhinweis: Falls noch keine Basis-Komponente Red Jig vorhanden, muss zusätzlich der Basis-Bohrrahmen bestellt werden (siehe Zubehör).
Hinweis: Für unterschiedliche Topfabstände kann der Bohreinsatz verstellt werden. 
Grundeinstellung TAB 3 mm = 21,5 mm
Bohrlehre Red Jig
- neu und vielseitig 
- neu entwickelte Bohrlehre für alle Möbelverbinder und gängige Möbelbeschläge von Häfele 
- exaktes, maßgenaues Bohren durch das neue Bohrglockensystem 
- austauschbare Bohreinsätze ermöglichen einen schnellen Bohrbildwechsel 
- abgestimmt auf Rastermaß 32 - für Lochreihenbohrung geeignet 
- stirnseitige Bohrungen mit Achsmaß 6 bis 30 mm
 
                             
                         
                         
                         
             
             
             
             
             
             
             
             
            